跑狗图最新版本下载,2021澳门最新脑筋急转弯,澳门脑筋急转弯365期,天下彩(944:CC)二四六,2025新跑狗图每期更新

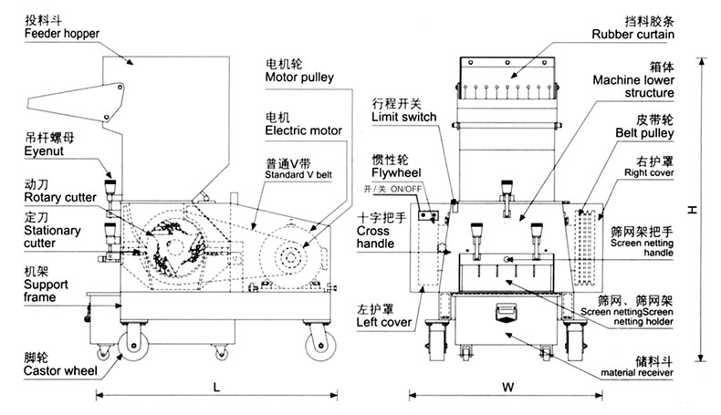
粉碎机

粉碎机


特点

◆ 刀具采用优质钢材,经久耐用,刀具可多次刃磨,拆卸安装方便
◆ 刀型设计合理,产品成粒均匀
◆ 可破碎、回收各种材质、形状的塑料制品
◆ 设有多项安全保护装置,确保操作安全
◆ 投料斗双层设计,减少噪音
◆ 结构合理,操作方便,省电耐用、高效



筛网
筛网之孔径决定破碎颗粒大小,可根据客户要求订做。

普通刀具
特殊刀具1
特殊刀具2
瓜型刀具

结构简图

技术参数

型号

功率

(kw)

转子直径

(mm)

碎料室尺寸

(mm)

动刀片

定刀片

碎料量

(kg/h)

转速

(r/min)

管网孔径

(mm)

机械尺寸

(cm)

重量

(kg)

PC-180 2.2 φ150 180×200 3×3 2 100-150 480 φ6 70×45×110 130
PC-230 4 φ200 230×200 3×2 2 100-200 660 φ8 100×65×115 280
PC-300 5.5 φ236 310×210 3×3 2 200-300 585 φ8-φ10 115×75×125 430
PC-400 7.5 φ236 410×235 3×4 2 300-400 585 φ8-φ10 120×85×132 470
PC-500 11 φ296 515×290 3×5 2 400-600 550 φ10 150×100×140 720
PC-600 15 φ296 610×320 3×6 4 500-800 550 φ12 155×110×165 890
PC-800 22 φ400 815×470 3×8 4 800-1000 450 φ14 200×150×220 1800
PC-1000 45 φ680 1000×670 3×10 4 1000-1300 / φ14 280×185×280 3500
PC-400D 11 φ296 310×410 1×3 2 400-600 550 φ10 150×90×140 700
PC-600D 15 φ480 430×615 1×3 4 500-800 450 φ12 200×1300×200 1100
主站蜘蛛池模板: 2024年澳门全年资料怎么看| 2024澳门新资料大全免费新| 资料大全正版资料\| 两个人在线高清免费观看| 抓码王一肖一码最准| 2012喜上加喜| 杀出黎明电视剧全集36集免费观看| 澳门开彩开奖网站大全| 2024新奥开奖记录直播| 不要会员追剧的软件| 7777888888管家婆资料| 4949澳门免费资料大全怎么买| 新澳门彩2024年资料大全| 孩子沉迷网络游戏的原因| 成人用品那里批发| 全网免会员的追剧app| 2024年澳门六开彩开奖结果直播| 今晚买四不像| 24小时成人用品店价格表| 澳门三肖中二肖赔多少倍| 澳门六合夭天彩资料| 7788dy电影网| 48kccm澳彩资料图48k优势详解 | 雷锋澳门开奖记录| 2024年新澳门资料免费观看| 今晚精准一肖一码求新澳6期| 澳彩免费资料图片大全 | 澳门6合开彩开奖历史| 将新时代改革开放进行到底作文| 2022搞笑电影推荐排行榜| 888电影网电影高清| 今天快八的开奖结果| 希斯·莱杰经典语录| 澳门6合开彩开奖视频| 2023年贺岁电影排行榜前十名 | 孤掷一注免费观看高清缅北| 摇摆de婚约| 恶魔在身边电视剧免费观看高清| 港澳彩开奖号码记录| 新澳门六开彩开奖号码记录| 奥彩2024一肖一码|